Ваш город:
Нефтеюганск
Ваш город Нефтеюганск?
Да Выбрать другой
Заказать звонок
Фильтр

Червячный мотор-редуктор МЧ-125 (МРЧ-125)

Описание

Описание товара временно отсутствует

Характеристики

Технические характеристики

Номинальная частота вращения выходного вала об/минДопускаемая радиальная консольная нагрузка, приложенная к середине посадочной части конца выходного вала, ННоминальный крутящий момент на выходном валу
Н х м
КПД, % в непрерыв-ном режиме с ПВ 100%, не менееТипоразмер двигателя серии MS (IEC)Мощность двигателя, кВтКорректи-рованный уровень звуковой мощности, дБА, не болееМасса мотор-редуктора кГ, не более
180 8000 270 93 MS 132 B5 5,5 80 131
140 350 93 MS 132 B5 5,5 131
112 430 92 MS 132 B5 5,5 131
90 520 89 MS 132 B5 5,5 131
71 650 88 MS 132 B5 5,5 131
56 595 87 MS 112 B5 4,0 121
45 690 81 MS 112 B5 4,0 121
35,5 640 79 MS 112 B5 3,0 115
28 580 77 MS 100 B5 2,2 108
22,4 715 76 MS 100 B5 2,2 108
18 805 69 MS 100 B5 2,2 108
14 695 71 MS 100 B5 1,5 108
11,4 766 68 MS 100 B5 1,5 108
8,2 760 60 MS 100 B5 1,1 108

 

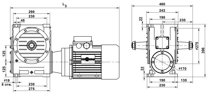
Габаритные и присоединительные размеры

Габаритные и присоединительные размеры мотор-редуктора МЧ-125

 

Конический вал

Конический вал мотор-редуктора МЧ-125

 

Цилиндрический вал

Цилиндрический вал мотор-редуктора МЧ-125

 

Полый вал

Полый вал мотор-редуктора МЧ-125

 

ВЫХОДНЫЕ КОНЦЫ ВАЛОВLL1L2bdd1t
Конический 110 82 38 14 55 М36х3 -8g 28,95
Цилиндрический 110 - - 16 55 - 59
Вал полый шлицевой 230 110 60 - 55 60 -

 

Варианты сборки мотор-редуктора

Варианты сборки

Характеристики

Похожие товары
Мотор-редуктор червячный МЧ-160 (МРЧ-160)

Одноступенчатый червячный мотор-редуктор МЧ-160 характеризуется высокой мощностью (до 11 кВт), большим диапазоном передаточных отношений (8-80), высоким КПД (до 94%). Мотор-редуктор собирается на базе электродвигателей Able и Siemens (по заказу). Допускается эксплуатация агрегата с постоянной и переменной нагрузкой в неагрессивной, невзрывоопасной среде.

Мотор-редуктор МЧ-160 комплектуется цилиндрическим, коническим или полым валом со шлицем. Привод доступен в четырех вариантах сборки.

Пример условного обозначения в заказе

Мотор-редуктор МЧ–160–28–53-У3, ТУ УЗ.26-00224828-342-97, что означает:

  • МЧ – тип мотор-редуктора
  • 160 – межосевое расстояние, мм
  • 28 – номинальная частота вращения выходного вала, об/мин
  • 53 – вариант сборки по ГОСТ 20373-80
  • У3 – климатическое исполнение и категория размещения по ГОСТ 15150-69
по запросу
Подробнее
Червячный мотор-редуктор МЧ-100 (МРЧ-100)

Мотор-редуктор МЧ-100 имеет одну червячную ступень с передаточными числами от 8 до 80. Привод производится в шести вариантах компоновки червячной пары и в четырех вариантах сборки, определяющих расположение валов.

Агрегат включает в себя редуктор Ч-100 и электродвигатель Able (опционально - Siemens) мощностью 0,75-5,5 кВт. КПД привода при работе в непрерывном режиме достигает 93%.

Пример условного обозначения в заказе

Мотор-редуктор МЧ–100–112–52-У3, ТУ УЗ.26-00224828-342-97, что означает:

  • МЧ – тип мотор-редуктора
  • 100 – межосевое расстояние, мм
  • 112 – номинальная частота вращения выходного вала, об/мин
  • 52 – вариант сборки по ГОСТ 20373-80
  • У3 – климатическое исполнение и категория размещения по ГОСТ 15150-69
по запросу
Подробнее
Назад
Выбор города