Ваш город:
Нефтеюганск
Ваш город Нефтеюганск?
Да Выбрать другой
Заказать звонок
Фильтр

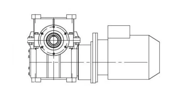
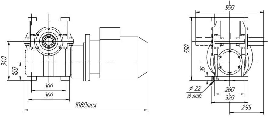
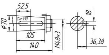
Мотор-редуктор МЦЧ-180

Описание

Габаритные размеры

С опорным фланцем

 

Выходной вал «Квн»

Выходной вал «Кнар»

Выходной вал «Ц»

Выходной вал с шпоночным отверстием

Назад
Выбор города