Ваш город:
Нефтеюганск
Ваш город Нефтеюганск?
Да Выбрать другой
Заказать звонок
Фильтр

Мотор-редуктор МПЧ-100

Описание

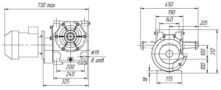
Габаритные размеры

С опорным фланцем

 

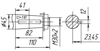
Выходной вал «Квн»

Выходной вал «Кнар»

Выходной вал «Ц»

Выходной вал с шлицевым валом

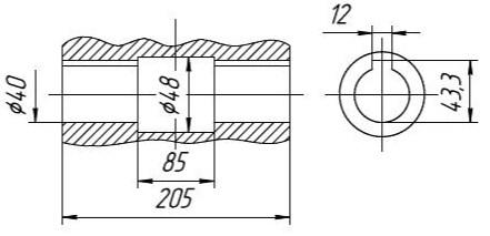
Выходной вал с шпоночным валом

Назад
Выбор города