Ваш город:
Нефтеюганск
Ваш город Нефтеюганск?
Да Выбрать другой
Заказать звонок
Фильтр

ЦТНД-500 (400, 315)

Описание

Технические характеристики

ЦТНД-315

ЦТНД-400

ЦТНД-500

Номинальное передаточное отношение, i

63,0; 80,0; 100,0; 125,0; 160,0

Номинальный крутящий момент на тихоходном валу, Т, Нxм

8300

17000

28500

Номинальная частота вращения быстроходного вала, с-1 (об/мин)

12,5 (750); 16,6 (1000); 25 (1500)

Номинальная радиальная консольная нагрузка, приложенная в середине посадочной поверхности конца тихоходного вала, Н

24000

32600

42200

Масса, кг

505

940

1480

Ориентировочный объем масла, л. 25 40 75

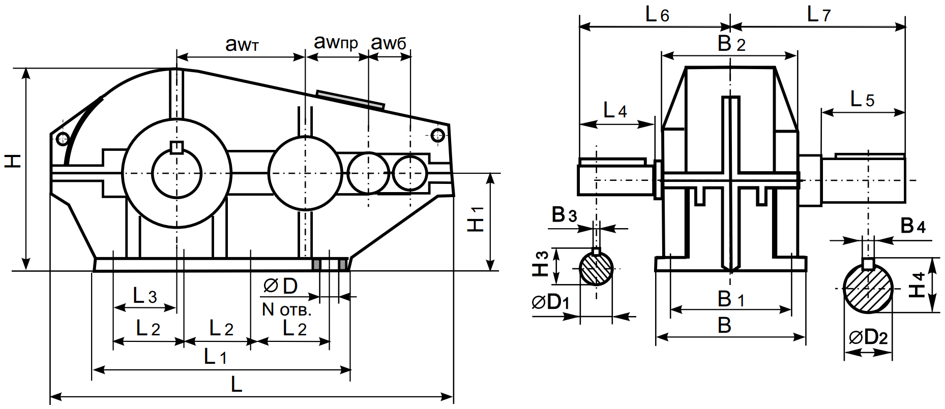
Габаритные и присоединительные размеры

Типоразмер

awб

awпр

awт

L

L1

L2

L3

L4

L5

L6

L7

N

ЦТНД-315

125

200

315

1110

680

280

130

58

140

245

340

6

ЦТНД-400

160

250

400

1408

860

240

170

82

165

307

390

8

ЦТНД-500

200

315

500

1720

1080

305

215

82

200

368

477

8

 

Типоразмер

oD

oD1

oD2

H

H1

H3

H4

B

B1

B2

B3

B4

ЦТНД-315

26

32k6

110m6

640

335

35

116

345

280

350

10

28

ЦТНД-400

33

40k6

140m6

820

425

43

148

425

340

430

12

36

ЦТНД-500

33

50k6

160m6

985

500

53,5

169

480

400

495

14

40

 

Варианты сборки редукторов ЦДНД

Примерные обозначения при заказе продукции

ЦТНД-315-40-12-У2, где:

  • ЦТНД – Тип редуктора;
  • 315 – Межосевое расстояние второй ступени;
  • 40 – Номинальное передаточное число;
  • 12 – Вариант сборки;
  • У2 – Климатическое исполнение и категория размещения.
Назад
Выбор города