Ваш город:
Нефтеюганск
Ваш город Нефтеюганск?
Да Выбрать другой
Заказать звонок
Фильтр

Редуктор 2Ч-63

Описание

Передаточное число, ном. 8 10 12,5 16 20 25 31,5 40 50 63 80
Частота вращения входного вала, об/мин 1500
Значение крутящих моментов Мт, Нм 105 100 93 120 110 100 130 120 110 95 85
Термическая мощность Nt, Квт 2,4 1,85 1,3 1,45 1,1 0,76 0,89 0,69 0,57 0,37 0,27
Масса, кг не более 12,3 (16)

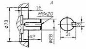
Габаритные и присоединительные размеры редуктора Ч 63

Концы валов

Вариант исполнения конца тихоходного вала

Вариант исполнения конца быстроходного вала

Вариант сборки 56 со шпончным отверстием

Вариант сборки 56 с шлицевым отверстием

Варианты сборки

Варианты сборки (рассматривать при расположении червячной пары – червяк под колесом)

Вариант крепления редуктора

Вариант расположения червячной пары

о – отдушина, к – пробка для контроля уровня масла, с – пробка для слива масла.

ГДЕ ИСПОЛЬЗУЮТСЯ РЕДУКТОРЫ?

Везде, где есть потребность в большой крутящем моменте на низких оборотах. На транспортерах, конвейерах, бетономешалках, насосах, подъемниках и электроприводах ворот, станках для металла и системах вентиляции.

 

Популярность модели обеспечивает ее универсальность и низкая цена. Такое устройство может позволить себе даже частное небольшое предприятие.

 

ПРИМЕРНЫЕ ОБОЗНАЧЕНИЯ ПРИ ЗАКАЗЕ

Редуктор 2Ч-63-40-51-1-2-2ВУ3, ТУ 4161-002-14738560-2005, где

  • 2Ч – тип редуктора;
  • 63 – межосевое расстояние;
  • 40 – передаточное число номинальное;
  • 51 – вариант сборки по ГОСТ 20373-94;
  • 1 – вариант расположения червячной пары (червяк под колесом);
  • 2 – лапы со стороны червяка;
  • 2 – категория точности по ГОСТ Р 50891-96;
  • В – с вентилятором;
  • У3 – вид климатического исполнения по ГОСТ 15150-69;
Назад
Выбор города