Ваш город:
Нефтеюганск
Ваш город Нефтеюганск?
Да Выбрать другой
Заказать звонок
Фильтр

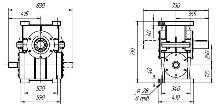
Редуктор Ч-250

Описание

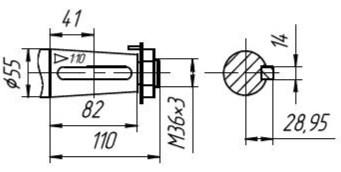
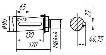
Габаритные размеры Ч-250

С опорным фланцем

Входной вал «Квн»

Входной вал «Кнар»

Входной вал «Ц»

Выходной вал «Квн»

Выходной вал «Кнар»

Выходной вал «Ц»

 

Назад
Выбор города