Ваш город:
Нефтеюганск
Ваш город Нефтеюганск?
Да Выбрать другой
Заказать звонок
Фильтр

ЦИЛИНДРО-ЧЕРВЯЧНЫЕ РЕДУКТОРЫ ЦЧ-50, ЦЧ-100, ЦЧ-125, ЦЧ-160

Описание

iN n1 n2 цч-50 цч-100 цч-125 цч-160
Р1 Т2 η Р1 Т2 η Р1 Т2 η Р1 Т2 η
мин-1 кВт Н.м кВт Н.м кВт Н.м кВт Н.м
16 (2х8) 1500 93,75 0,8 66 0,82 5,3 467 0,87 9,4 833 0,87 16 1433 0,88
1000 62,5 0,7 82 0,81 4,3 564 0,86 7,5 986 0,86 13,6 1809 0,87
750 46,88 0,6 97 0,8 3,5 613 0,85 6,1 1063 0,85 11,3 1996 0,87
20 (2,5х8) 1500 75 0,8 79 0,8 4,8 525 0,86 8,5 925 0,86 15 1659 0,87
1000 50 0,6 97 0,79 3,7 603 0,85 6,5 1047 0,85 11,9 1959 0,86
750 37,5 0,5 107 0,78 3 642 0,84 5,1 1109 0,85 9,7 2109 0,85
25 (3,15х8) 1500 60 0,7 91 0,78 4,2 573 0,85 7,3 1001 0,85 13,4 1845 0,86
1000 40 0,6 105 0,76 3,1 635 0,84 5,4 1098 0,84 10,2 2083 0,85
750 30 0,5 114 0,75 2,5 666 0,82 4,3 1146 0,83 8,2 2201 0,84
31,5 (2х16) 1500 47,62 0,5 71 0,77 3 513 0,83 5,3 900 0,84 8,7 1500 0,85
1000 31,75 0,4 87 0,76 2,6 647 0,81 4,5 1133 0,83 7,3 1861 0,84
750 23,81 0,4 111 0,75 2,2 713 0,8 3,8 1254 0,82 6 2042 0,83
40 (2,5х16) 1500 37,5 0,5 87 0,76 2,8 593 0,82 4,9 1042 0,83 8 1717 0,84
1000 25 0,4 108 0,75 2,3 700 0,81 3,9 1231 0,82 6,3 2005 0,83
750 18,75 0,3 114 0,74 1,9 753 0,8 3,2 1325 0,81 5,2 2150 0,82
50 (3,15х16) 1500 30 0,4 100 0,76 2,5 659 0,81 4,4 1159 0,83 7 1896 0,84
1000 20 0,3 117 0,74 1,9 744 0,8 3,4 1309 0,81 5,4 2125 0,82
750 15 0,3 126 0,72 1,6 787 0,79 2,7 1383 0,8 4,3 2239 0,81
63 (2х31,5) 1500 23,81 0,3 73 0,73 1,8 527 0,74 2,8 900 0,81 4,8 1567 0,82
1000 15,87 0,2 102 0,72 1,6 682 0,73 2,4 1122 0,78 4 1942 0,81
750 11,9 0,2 117 0,71 1,3 760 0,72 2,1 1233 0,75 3,3 2129 0,8
80 (2,5х31,5) 1500 18,75 0,3 91 0,72 1,7 620 0,74 2,6 1033 0,79 4,4 1792 0,81
1000 12,5 0,2 114 0,7 1,4 745 0,72 2,2 1211 0,75 3,5 2092 0,8
750 9,38 0,2 126 0,69 1,1 807 0,71 1,8 1300 0,72 2,8 2242 0,79
100 (3,15х31,5) 1500 15 0,2 105 0,7 1,5 697 0,73 2,4 1143 0,76 3,9 1978 0,8
1000 10 0,2 124 0,69 1,2 796 0,71 1,9 1285 0,73 2,9 2216 0,8
750 7,5 0,2 134 0,68 1 845 0,7 1,5 1355 0,71 2,3 2335 0,79
125 (4х31,5) 1500 12 0,2 117 0,69 1,3 760 0,72 2,1 1233 0,75 3,4 2129 0,79
1000 8 0,2 132 0,68 1 838 0,71 1,6 1345 0,72 2,5 2317 0,78
750 6 0,1 139 0,67 0,8 877 0,7 1,2 1399 0,71 1,9 2410 0,78
160 (4х40) 1500 9,38 0,2 107 0,68 0,9 668 0,71 1,7 1229 0,72 2,8 2095 0,77
1000 6,25 0,1 113 0,67 0,7 723 0,7 1,2 1324 0,71 2,2 2257 0,72
750 4,69 0,1 115 0,66 0,5 750 0,69 1 1371 0,7 1,8 2315 0,71
200 (4х50) 1500 7,5 0,1 96 0,66 0,7 577 0,69 1,3 1095 0,69 2,3 2056 0,74
1000 5 0,1 105 0,65 0,5 627 0,68 0,9 1191 0,68 1,8 2163 0,7
750 3,75 0,1 109 0,65 0,4 651 0,67 0,7 1238 0,67 1,4 2214 0,68
250 (4х63) 1500 6 0,1 89 0,6 0,5 476 0,63 0,9 893 0,64 1,6 1676 0,65
1000 4 0,1 96 0,58 0,3 511 0,62 0,6 953 0,63 1,2 1819 0,64
750 3 0,1 107 0,56 0,3 529 0,6 0,5 982 0,61 1 1890 0,62

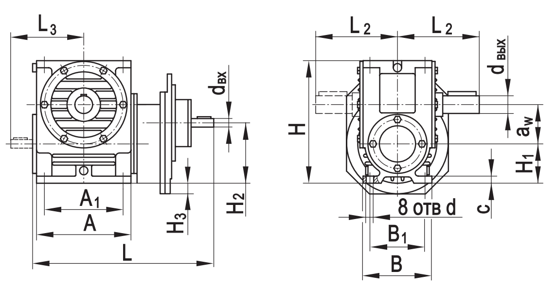
Типоразмер аW A A1 B B1 L* L1max L2* L3* H H1 H2 H2 c d dвх dвых
ЦЧ-­50 50 135 110 135 110 310 515 110 115 174 40 90 11 12 10 16 25
ЦЧ­-­100 100 240 200 175 140 500 730 225 225 312 100 200 32 18 19 32 45
ЦЧ­-­125 125 275 230 230 190 560 890 230 261 396 111 211 34 22 19 32 55
ЦЧ­-160 160 350 300 280 230 720 968 280 345 500 140 265 8 30 22 40 70

* Размеры приведены без учёта длины резьбового конца вала исполнения К2. 

Варианты сборки

Варианты расположения червячных передач

1. Червячный вал под колесом;
2. Червячный вал над колесом;
3. 4. Вал червячного колеса вертикальный;
5. 6. Червячный вал вертикальный.

Назад
Выбор города