Ваш город:
Нефтеюганск
Ваш город Нефтеюганск?
Да Выбрать другой
Заказать звонок
Фильтр

Цилиндро-червячные редукторы ЦЧ2-40/63, ЦЧ2-40/80

Описание

iN n1 n2 ЦЧ2-40/63 ЦЧ2-40/80
Р1 Т2 η Р1 Т2 η
мин-1 кВт Н.м кВт Н.м
125 (2х8х8) 1500 12 0,4 241 0,71 0,7 433 0,73
1000 8 0,3 246 0,7 0,5 451 0,72
750 6 0,2 250 0,69 0,4 459 0,71
160 (2,5х8х8) 1500 9,38 0,3 245 0,71 0,6 445 0,73
1000 6,25 0,2 249 0,7 0,4 457 0,72
750 4,69 0,2 253 0,69 0,3 462 0,71
200 (3,15х8х8) 1500 7,5 0,3 247 0,7 0,5 453 0,72
1000 5 0,2 252 0,69 0,3 461 0,71
750 3,75 0,2 255 0,68 0,3 465 0,7
250 (2х8х16) 1500 6 0,2 259 0,66 0,4 473 0,68
1000 4 0,2 263 0,65 0,3 479 0,67
750 3 0,1 265 0,64 0,2 483 0,66
315 (2,5х8х16) 1500 4,76 0,2 262 0,66 0,3 477 0,68
1000 3,17 0,1 265 0,65 0,2 483 0,67
750 2,38 0,1 266 0,64 0,2 486 0,66
400 (3,15х8х16) 1500 3,75 0,2 263 0,61 0,3 480 0,63
1000 2,5 0,1 266 0,6 0,2 485 0,62
750 1,88 0,1 267 0,59 0,2 488 0,61
500 (2х16х16) 1500 3 0,1 265 0,6 0,2 483 0,61
1000 2 0,1 267 0,59 0,2 488 0,6
750 1,5 0,1 268 0,58 0,1 490 0,59
630 (2,5х16х16) 1500 2,38 0,1 266 0,6 0,2 486 0,61
1000 1,59 0,1 268 0,59 0,1 489 0,6
750 1,19 0,1 269 0,58 0,1 491 0,59
800 (3,15х16х16) 1500 1,88 0,1 263 0,59 0,2 488 0,6
1000 1,25 0,1 266 0,58 0,1 491 0,59
750 0,94 0,1 267 0,56 0,1 492 0,58
1000 (4х16х16) 1500 1,5 0,1 268 0,56 0,1 490 0,57
1000 1 0,1 269 0,54 0,1 492 0,56
750 0,75 0,04 270 0,53 0,1 493 0,54
1250 (2,5х16х31,5) 1500 1,2 0,1 288 0,56 0,1 509 0,57
1000 0,8 0,04 291 0,54 0,1 514 0,56
750 0,6 0,03 291 0,53 0,1 517 0,54
1600 (3,15х6х31,5) 1500 0,94 0,1 289 0,55 0,1 512 0,56
1000 0,63 0,04 291 0,53 0,1 516 0,55
750 0,47 0,03 293 0,52 0,1 518 0,53
2000 (4х16х31,5) 1500 0,75 0,1 291 0,48 0,1 515 0,48
1000 0,5 0,03 292 0,46 0,1 517 0,46
750 0,38 0,03 293 0,45 0,04 519 0,45
2500 (2,5х31,5х31,5) 1500 0,6 0,04 291 0,48 0,1 517 0,48
1000 0,4 0,03 293 0,46 0,1 519 0,46
750 0,3 0,02 293 0,45 0,04 520 0,45
3150 (3,15х31,5х31,5) 1500 0,48 0,03 293 0,48 0,1 518 0,48
1000 0,32 0,02 293 0,46 0,04 520 0,46
750 0,24 0,02 294 0,45 0,03 521 0,45
4000 (4х31,5х31,5) 1500 0,38 0,03 293 0,39 0,1 519 0,4
1000 0,25 0,02 294 0,37 0,04 521 0,39
750 0,19 0,02 298 0,36 0,03 525 0,38
5000 (4х40х31,5) 1500 0,3 0,03 295 0,36 0,04 521 0,38
1000 0,2 0,02 298 0,36 0,03 523 0,38
750 0,15 0,01 300 0,36 0,02 528 0,38
6300 (5х40х31,5) 1500 0,24
1000 0,16
750 0,12
8000 (5х40х40) 1500 0,19
1000 0,13
750 0,09
10000 (5х50х40) 1500 0,15
1000 0,1
750 0,08
12500 (5х50х50) 1500 0,12
1000 0,08
750 0,06

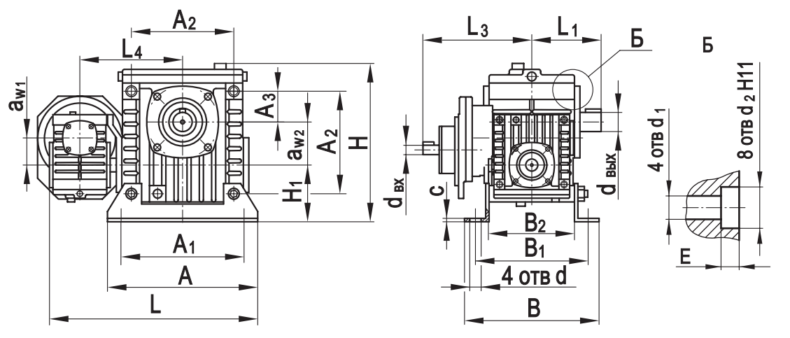
Габаритные размеры редуктора на лапах

Типоразмер аW1 аW2 А А1 А2 А3 В В1 В2 L* L1* L2max L3* L4 Н Н1 сd d 1 d2 Еd вх dвых
ЦЧ2-40/63 40 63 220 180 150 45 197 165 125 333 100 502 183 173 232 82 5 13 10,5 16 8 16 28
ЦЧ2-40/80 40 80 260 225 180 50 212 185 140 388 125 527 183 208 267 92 5 15 12,5 18 8 16 35

* Размеры приведены без учёта длины резьбового конца вала исполнения К2. 

 

Габаритные размеры редуктора на фланце

Типоразмер аW1 аW2 D D1 D2 H L1* L2max L3* L5 L7 L8*с 1 с2 d3 dвх dвых n
ЦЧ2Ф­-40/63 40 63 205 140 175 200 100 502 183 323 120 166 10 3,5 12 16 28 4
ЦЧ2Ф-40/80 40 80 230 160 200 239 125 527 183 369 130 193 10 5 12 16 35 6

* Размеры приведены без учёта длины резьбового конца вала исполнения К2. 

Варианты сборки

 

Назад
Выбор города