Ваш город:
Нефтеюганск
Ваш город Нефтеюганск?
Да Выбрать другой
Заказать звонок
Фильтр

Цилиндрический редуктор Ц2У-650Ш

Описание

Номинальное передаточное отношение, i 8 10 12,5 16 20 25 31,5 40 50
Номинальный крутящий момент на тихоходном валу, Т, Нм  16100 16300 16100 15500 15600 15900 15600 14600
Номинальная частота вращения быстроходного вала, с-1 (об/мин) 16,(6) (1000) 25 (1500)
Номинальная радиальная консольная нагрузка, приложенная в середине посадочной поверхности выходного конца вала, Н  быстроходного 7100 3150
тихоходноГо цилиндричес кий конец 31500
конец вала в виде части зубчатой полумуфты 37800
Масса, кг 980
Ориентировочный объем масла, л  90

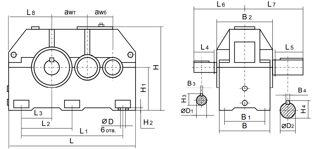
awб awт L L1 L2 L3 L4 L5 L6 L7 L8 D D1 D2
250 400 1320 950 475 280 140 250 380 500 450 35 60m6 140m6

 

H H1 H2 H3 H4 B B1 B2 B3 B4
835 425 42 64 148 410 330 475 18 36

 

Размеры конца тихоходного вала в виде зубчатой полумуфты

f f1 f2 f3 f4 f5 f6 m z Индекс муфты
335 150F8 180 336 65 40 15 8 40 М
170F8 200 348 68 12 6 56 М1

Кинематическая схема

 

Назад
Выбор города