Ваш город:
Нефтеюганск
Ваш город Нефтеюганск?
Да Выбрать другой
Заказать звонок
Фильтр

Редукторы 1Ц2У и Ц2У 200 (100, 125, 160, 250)

Описание

Параметры Типоразмер 1Ц2У, Ц2У
1Ц2У 100 1Ц2У 125 1Ц2У 160 1Ц2У 200 1Ц2У 250
Номинальные передаточные числа 8;10;12,5;16;20;25;31,5;40
Номинальный крутящий момент на вых. Валу при работе редуктора в повторно-кратковременных режимах, Нм Непрерывный(Н)ПВ=100% 315 630 1250 2500 5000
Тяжелый (Т) ПВ=40% 315 630 1600 3150 6300
Средний (С) ПВ=25% 315 630 2000 4000 8000
Легкий (Л) ПВ=15% 315 630 2500 5000 10000
Допускаемая радиальная консольная нагрузка, приложения в середине посадочной части вала, Н входного Непрерывный(Н)ПВ=100% 315 630 1250 2500 5000
Тяжелый (Т) ПВ=40% 315 630 1600 3150 6300
Средний (С) ПВ=25% 315 630 2000 4000 8000
Легкий (Л) ПВ=15% 315 630 2500 5000 10000
выходного Непрерывный(Н)ПВ=100% 315 630 1250 2500 5000
Тяжелый (Т) ПВ=40% 315 630 1600 3150 6300
Средний (С) ПВ=25% 315 630 2000 4000 8000
Легкий (Л) ПВ=15% 315 630 2500 5000 10000
Масса, кг С чугунным корпусом 37 55 95 170 310
С алюминиевым корпусом 21 31,5 57 - -

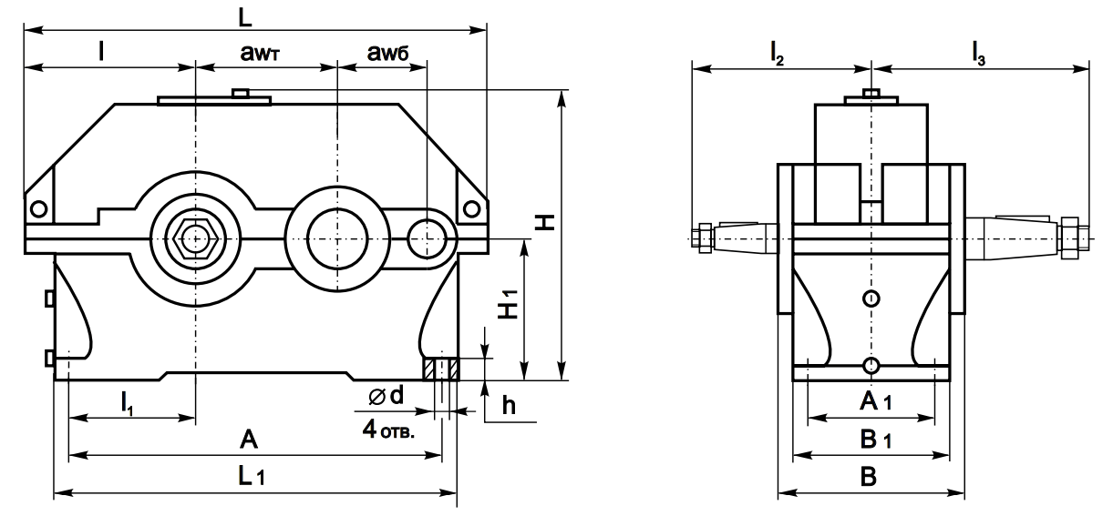
Габаритные и присоединительные размеры редукторов Ц2У, 1Ц2У

Типоразмер awб awт L L1 l l1 l2 l3 H H1 h A A1 B B1 d
1Ц2У-100 80 100 390 325 136 85 136 165 230 112 20 290 109 155 145 15
1Ц2У-125 80 125 446 375 160 106 145 206 272 132 22 335 125 175 165 19
1Ц2У-160 100 160 555 475 200 136 170 224 346 170 24 425 140 206 195 24
1Ц2У-200 125 200 670 586 238 165 212 280 425 212 30 515 165 243 230 24
1Ц2У-250 160 250 825 730 290 212 265 335 530 265 32 670 218 290 280 28

Размеры выходных и входных концов валов редукторов Ц2У, 1Ц2У

Входные валы

Тип d d1 d3 d4 l l1 b t
1Ц2У 100 20 18,2 M12x1,25 40 50 36 4 19,7
1Ц2У 125 20 18,2 M12x1,25 40 50 6 4 19,7
1Ц2У 160 25 22,9 M16x1,5 45 60 42 5 24,9
1Ц2У 200 30 27,1 M20x1,5 50 80 58 5 29,1
1Ц2У 250 40 35,9 M24x2,0 63 110 82 10 38,9

Выходные валы

Тип d d1 d3 d4 l l1 b t
1Ц2У 100 35 32,1 M20x1,5 50 80 58 6 34,9
1Ц2У 125 45 40,9 M30x2,0 75 110 82 12 43,9
1Ц2У 160 55 50,9 M36x3,0 88 110 82 14 54,4
1 Ц2У 200 70 64,75 M48x3,0 100 140 105 18 68,75
1 Ц2У 250 90 83,5 M64x4,0 130 170 130 22 88,5

Варианты сборки редукторов Ц2У

Примерные обозначения при заказе продукции

1 Ц2У-160-10-12-М-2-У2 ТУ2-056-243-86, где:

  • 1Ц2У – Тип редуктора;
  • 200 – Межосевое расстояние второй ступени;
  • 10- Номинальное передаточное число;
  • 12 – Вариант сборки;
  • М -Исполнение конца выходного вала в виде части зубчатой муфты;
  • 2 – Категория точности по ГОСТ Р50891-96;
  • У2 – Климатическое исполнение и категория размещения.
Назад
Выбор города