Ваш город:
Нефтеюганск
Ваш город Нефтеюганск?
Да Выбрать другой
Заказать звонок
Фильтр

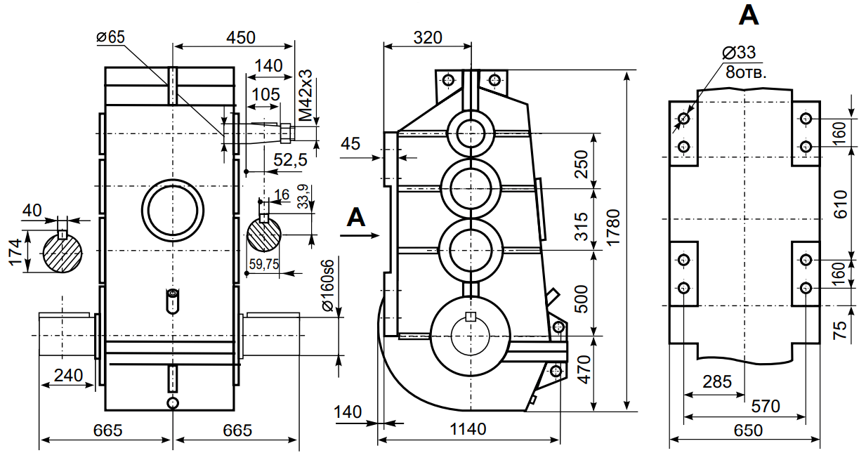
Цилиндрический вертикальный редуктор ВКУ-1065

Описание

Номинальное передаточное отношение, i

20

22,4

25

28

31,5

35,5

40

45

50

56

63

71

80

90

100

112

125

Номинальный крутящий момент на тихоходном валу, Т, Н?м при режиме работы

Н(ПВ 100%)

20000

ВТ

(ПВ 60%)

20000

20800

23000

25000

Т(ПВ 40%)

20000

25600

28200

32000

С(ПВ 25%)

30000

32000

36000

43000

45500

Л(ПВ 15%)

43000

48000

Номинальная частота вращения быстроходного вала, с-1 (об/мин)

10 (600)

Масса, кг

1950

Варианты сборок

Примерные обозначения при заказе продукции

ВКУ-1065-20-22-У1, где:

  • ВКУ – Тип редуктора;
  • 1065 – Межосевое расстояние;
  • 20 – Номинальное передаточное число;
  • 33 – Вариант сборки;
  • У1 – Климатическое исполнение и категория размещения.
Назад
Выбор города