Ваш город:
Нефтеюганск
Ваш город Нефтеюганск?
Да Выбрать другой
Заказать звонок
Фильтр

Редукторы 2Ц3вк(ф)-100, 2Ц3вк(ф)-125, 2 (3)Ц3вк(ф)-160, 3Ц3вк(ф)-200, 3Ц3вк(ф)-250

Описание

Типоразмер редуктора

2Ц3вк(ф)-100

Номинальное передаточноеотношение, i

10,0

12,5

16,0

20,0

25,0

31,5

40,0

Номинальный крутящий момент на выходном валу, Нxм, при максимальной частоте вращения входного вала и режимах нагружения Непрерывный(ПВ 100%)

280

Тяжелый(ПВ 40%)

290

300

320

Средний(ПВ 25%)

330

350

390

Легкий(ПВ 15%)

340

400

650

Номинальная радиальная консольная нагрузка, приложенная в середине посадочной поверхности выходного конца быстроходного вала, Н

 460

250

220

200

175

155

140

Масса, кг

42 (46)

Типоразмер редуктора

2Ц3вк(ф)-125

Номинальное передаточноеотношение, i

10,0

12,5

16,0

20,0

25,0

31,5

40,0

50,0

Номинальный крутящий момент на выходном валу, Нxм, при максимальной частоте вращения входного вала и режимах нагружения Непрерывный(ПВ 100%)

560

Тяжелый(ПВ 40%)

560

580

600

Средний(ПВ 25%)

600

650

700

Легкий(ПВ 15%)

700

770

1100

Номинальная радиальная консольная нагрузка, приложенная в середине посадочной поверхности выходного конца быстроходного вала, Н

600

550

480

430

240

215

190

170

Масса, кг

73 (75)

2Ц3вк-160 (2Ц3вкф-160)

Типоразмер редуктора

2(3)Ц3вк(ф)-160

Номинальное передаточноеотношение, i

10,0

12,5

16,0

20,0

25,0

31,5

40,0

50,0

63,0

80,0

Номинальный крутящий момент на выходном валу, Нxм, при максимальной частоте вращения входного вала и режимах нагружения Непрерывный(ПВ 100%)

1100

Тяжелый(ПВ 40%)

1100

1200

1350

Средний(ПВ 25%)

1300

1400

1500

1600

Легкий(ПВ 15%)

1400

1500

3000

Номинальная радиальная консольная нагрузка, приложенная в середине посадочной поверхности выходного конца быстроходного вала, Н

850

755

680

600

550

485

425

240

215

190

Масса, кг

114 (130)

3Ц3вк-160 (3Ц3вкф-160)

138 (150)

Типоразмер редуктора

 3Ц3вк(ф)-200

Номинальное передаточноеотношение, i

10,0

12,5

16,0

 20,0

25,0

31,5

40,0

50,0

63,0

80,0

100.0

Номинальный крутящий момент на выходном валу, Нxм, при максимальной частоте вращения входного вала и режимах нагружения Непрерывный(ПВ 100%)

2500

Тяжелый(ПВ 40%)

2600

3100

3300

Средний(ПВ 25%)

3200

3600

4000

Легкий(ПВ 15%)

4000

6500

Номинальная радиальная консольная нагрузка, приложенная в середине посадочной поверхности выходного конца быстроходного вала, Н

1000

800

650

500

450

250

Масса, кг

212 (224)

Типоразмер редуктора

3Ц3вк(ф)-250

Номинальное передаточноеотношение, i

12,5

16,0

20,0

25,0

31,5

40,0

50,0

63,0

80,0

100.0

Номинальный крутящий момент на выходном валу, Нxм, при максимальной частоте вращения входного вала и режимах нагружения Непрерывный(ПВ 100%)

4500

Тяжелый(ПВ 40%)

5000

5400

5800

Средний(ПВ 25%)

5700

6200

6800

Легкий(ПВ 15%)

7800

12000

Номинальная радиальная консольная нагрузка, приложенная в середине посадочной поверхности выходного конца быстроходного вала, Н

2200

2000

1100

1000

900

800

700

640

560

500

Масса, кг

360 (370)

2Ц3вк(ф)-100

Габаритные и присоединительные размеры редукторов 2Ц3вк(ф)-100, 2Ц3вк(ф)-125, 2Ц3вк(ф)-160

Габаритные и присоединительные размеры редукторов 3Ц3вк(ф)-160, 3Ц3вк(ф)-200, 3Ц3вк(ф)-250

Типоразмер

awб

awпр

awт

L

L1

L2

L3

L4

L5

L6

L7

L8

L9

2Ц3вк(ф)-100

80

100

100

235,5

174

148,5

135

67

12

168

316,5

70

16

2Ц3вк(ф)-125

80

125

125

265

204

163

180

177

340

85

2(3)Ц3вк(ф)-160

i=10

120

140

160

300

236

181

200

112

280*

455*

100

20*

i=12,5-80

82

250*

425*

3Ц3вк(ф)-200

125

160

200

351

260

221

112

176

392

120

18

3Ц3вк(ф)-250

160

200

250

395

314

238

15

185

435

153

 

Типоразмер

B

B1

H

H1

H2

H3

H4

2Ц3вк(ф)-100

240

40

529

118

170

113

23

2Ц3вк(ф)-125

292

600

140

185

2(3)Ц3вк(ф)-160

348*

50

748

168

100

138

30

3Ц3вк(ф)-200

400

60

848

210

123

32

3Ц3вк(ф)-250

510

80

1047

248

154

38

 

Типоразмер

oD

oD1

oD2

oD3

oD4

oD5

m

z

2Ц3вк(ф)-100

18

14

55 h8

230 H7

265

300

2,5

20

2Ц3вк(ф)-125

2(3)Ц3вк(ф)-160

i=10

22

18

80 h8

250 H7

300

350

30

i=12,5-80

14

230H7

265

300

3Ц3вк(ф)-200

26

18

250 H7

300

350

3Ц3вк(ф)-250

30

100 h8

38

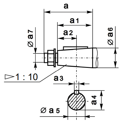
Размеры конического конца быстроходного вала

Типоразмер

a

a1

a2

a3

a4

oa5

oa6

oa7

2Ц3вк(ф)-100

42

21

5

24,9

22,9

25

М16×1,5

2Ц3вк(ф)-125

2(3)Ц3вк(ф)-160

27,9

25,9

28

М16×1,5

3Ц3вк(ф)-200

80

58

29

6

34,6

32,1

35

М20×1,5

3Ц3вк(ф)-250

37,6

35,1

38

М24×2

 

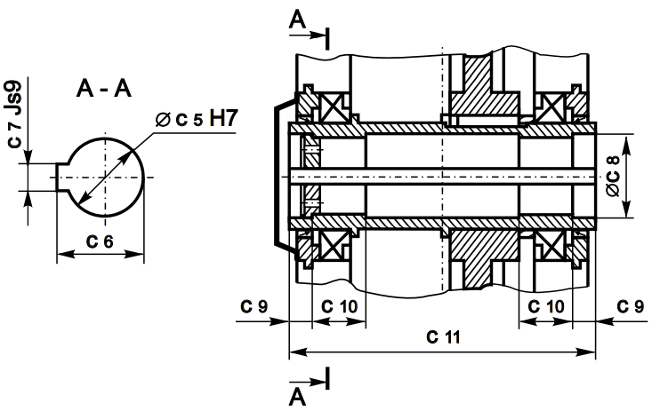
Размеры полого шлицевого тихоходного вала

Типоразмер

с1

c2

c3

Ис-
пол-
не-
ние

oc4

oс ГОСТ 6033
(шлицы
эвольвентные)

2Ц3вк(ф)-100

174

35

25

Исп. 1

50

45x2x9Н

Исп. 2

40

35xН8×2

2Ц3вк(ф)-125

204

38

Исп. 1

55

50x2x9Н

Исп. 2

45xН8×2

2(3)Ц3вк(ф)-160

236

42

37

Исп. 1

70

65x2x9Н

Исп. 2

65xН8×2

3Ц3вк(ф)-200

260

60

64

Исп. 1

85

80×2,5×9Н

Исп. 2

75

70xН8×2,5

3Ц3вк(ф)-250

314

70

71

Исп. 1

105

 100×2,5×9Н

Исп. 2

95

90xН8×2,5

 

Размеры полого тихоходного вала со шпоночным пазом

Типоразмер

oс5

с6

с7

oс8

с9

с10

с11

2Ц3вк(ф)-100

40

43,3

12

50

25

35

174

2Ц3вк(ф)-125

45

48,3

55

38

204

2(3)Ц3вк(ф)-160

60

64,4

18

72

37

42

236

3Ц3вк(ф)-200

75

79,9

20

90

64

60

260

3Ц3вк(ф)-250

95

100,4

25

110

71

70

314

 

Основные варианты сборки для 2Ц3вк, 3Ц3вк

 

С фланцевым исполнением 2Ц3вкф, 3Ц3вкф

Примерные обозначения при заказе продукции

2Ц3вк(ф)-250-25-22-Пшл-У1, где:

  • 1Ц3Н – Тип редуктора;
  • ф – Фланцевый;
  • 250 – Межосевое расстояние;
  • 25 – Номинальное передаточное число;
  • 37 – Вариант сборки;
  • Пшл – Полый шлицевый тихоходный вал;
  • У1 – Климатическое исполнение и категория размещения.
Назад
Выбор города